-
電話:+86-15996094444
-
電子メール:
今すぐお問い合わせください
+86-15996094444
今すぐお問い合わせください
| モデル | ドリル直径(mm) | ドリル深度(mm) | 拡張穴の直径(mm) | 効果的なアンカレッジ深度(mm) | 適切な基質の厚さ(mm) | アンダーカットアンカーの長さ(mm) | 引張強度(kn) |
| AZQB-M6*20 | 11 | 8 | 14 | 8 | 16 | 20 | 6.4 |
| AZQB-M6*25 | 11 | 12 | 14 | 12 | 25 | 25 | 6.4 |
| AZQB-M6*32 | 11 | 15 | 14 | 15 | 30 | 32 | 6.4 |
| AZQB-M6*35 | 11 | 18 | 14 | 20 | 35 | 35 | 6.4 |
| AZQB-M6*40 | 11 | 25 | 14 | 25 | 40 | 40 | 6.4 |
| AZQB-M6*45 | 11 | 30 | 14 | 30 | 50 | 45 | 6.4 |
| AZQB-M8*25 | 13 | 10 | 16 | 10 | 20 | 25 | 7.4 |
| AZQB-M8*32 | 13 | 15 | 16 | 15 | 30 | 32 | 7.4 |
| AZQB-M8*35 | 13 | 18 | 16 | 18 | 35 | 35 | 7.4 |
| AZQB-M8*40 | 13 | 25 | 16 | 25 | 40 | 40 | 7.4 |
アンダーカットアンカーを使用したインストールの利点
1. 究極の負荷容量の2倍(Min。)
2. アンカーは、表面のどこにでも配置できます
3 パネルは静的に最適化できます
4. 低いパネル曲げモーメント
5. より高い安全因子
6. 目に見える固定要素はありません(ジョイント内)
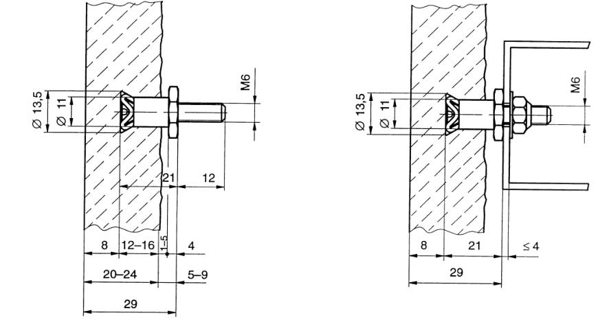
数ミリメートルの天然石のパネル(ゲートソー)の厚さの耐性の生産に使用される生産方法は正常です。ただし、スタンドオフの修正は、異なるパネルの厚さを平準化できます。
スタンドオフ修正のためにドロップインアンカーを使用すると、これらの厚さの耐性を平準化するためのソリューションが提供されます。一定の残りの壁の厚さ(RWD)(ドリルホールの底からパネル表面までの寸法)
そして、アンカーの一定の総長さは一定の距離を提供します。異なるパネルの厚さ
間隔ナットとパネルの背面の間のパネルの背面にあるさまざまなギャップ幅。
記載されている固定厚さは、DIN 985、DIN125に従ってプレーンワッシャー、および必要なスレッド投影に従ってセルフロックナットの使用に基づいています。両方のコンポーネントにはアンカーが付属していませんが、補足的に注文することができます。
セルフロックナットが使用されない場合、別の適切なナットロックデバイスが必要です。異なる固定厚さは、アンカーのボルト長から個々のケースで計算できます。
記載されている最小パネルの厚さは、インストール方法またはアンカータイプに基づいています。国家規制は常に決定的であり、観察する必要があります。
Jiangsu aozheng Metal Products Co.、Ltd。 はい 中国 アンダーカットアンカーのドープ サプライヤー そして 卸売 アンダーカットアンカーのドープ 工場, 当社は、ステンレス鋼、アルミニウム合金、炭素鋼、低合金鋼で作られた建築金物の製造に特化した、工業と貿易を融合した企業です。当社では、高度な自動化された切断、スタンピング、溶接プロセスを採用しています。当社は、原材料成形工場と機械加工工場を統合した、多様で大規模な専門生産拠点です。当社は高品質・高級市場を基盤とし、年間2,000トンの各種建築資材を生産しております。主に米国、ドイツ、イタリア、英国、韓国、オーストラリア、カナダ、中東など数十カ国に輸出されています。当社の顧客には大手建設会社や有名な建設チームが含まれており、当社は中東における彼らの建築資材サプライヤーとなっています。同社は年間2,000トン以上の各種建築資材を生産しており、主に米国、ドイツ、イタリア、英国、韓国、オーストラリア、カナダ、中東など数十カ国に輸出しています。また、世界トップクラスの建設チームを含む大手建設会社とも協力関係を築いており、中国における建築資材の重要なサプライヤーとなっています。
「Aozheng Metalは10年以上の生産経験と強力な研究開発チームを擁し、ワンストップサービスと24時間オンラインサービスを提供し、「高効率、高速」の原則を堅持しています。長年のたゆまぬ努力の結果、同社の製品は国内外で高い評価を得ています。」

ハイテク企業

中国ネットワーク認定を作成しました

ビジネスライセンス

オープニング許可

江蘇省民間科学技術エンタープライズ

頑丈な結合された石のペンダント

統合された石バックボルト

統合された拡張リングと統合された拡張リングを備えたバックボルト

オールインワンペンダント

溝のある石に適したシンプルなペンダント

組み合わせたセラミックタイル用の特別なアルミニウム合金ペンダント

ねじ込みバックボルト
オーランドで開催される 2026 インターナショナル ビルダーズ ショーでの 3 日間のイノベーション、つながり、ビジョン。これは、来年のラスベガスへの移転を前に、この活気に満ちた都市で過ごした IBS の締めくくりにふさわしいものです。 2 月 17 日から 19 日まで、オレンジ カウンティ コンベンション センターは可能性の拠点となり、世界中から 117,000 ...
続きを読む精度は今日から始まります。 旧正月 10 日目に、当社は高級アルミニウム押出材と石材クラッディング システムの生産を再開できることを誇りに思います。 2026 年の信頼できるハードウェア パートナー。 グローバルなプロジェクト、ローカルな専門知識。戻ってきました!カスタムアルミニウムプロファイルとファサードソリューションを専門としています。午年にあなたの建築ビジョンを実現するためにパ...
続きを読む2026 年の都市再生を見据えて、厳しい環境基準を満たすためには、高性能の建物エンベロープを統合することが重要です。あ テラコッタファサードシステム は、歴史的な美学と現代の持続可能性のバランスを目指す建築家にとって、最も効果的なソリューションの 1 つです。 江蘇青正金属製品有限公司 は、中国に本拠を置く一流メーカーで、エンベロープの構造的完全性に不可欠なステン...
続きを読む| モデル | ドリル直径(mm) | ドリル深度(mm) | 拡張穴の直径(mm) | 効果的なアンカレッジ深度(mm) | 適切な基質の厚さ(mm) | アンダーカットアンカーの長さ(mm) | 引張強度(kn) |
| AZQB-M6*20 | 11 | 8 | 14 | 8 | 16 | 20 | 6.4 |
| AZQB-M6*25 | 11 | 12 | 14 | 12 | 25 | 25 | 6.4 |
| AZQB-M6*32 | 11 | 15 | 14 | 15 | 30 | 32 | 6.4 |
| AZQB-M6*35 | 11 | 18 | 14 | 20 | 35 | 35 | 6.4 |
| AZQB-M6*40 | 11 | 25 | 14 | 25 | 40 | 40 | 6.4 |
| AZQB-M6*45 | 11 | 30 | 14 | 30 | 50 | 45 | 6.4 |
| AZQB-M8*25 | 13 | 10 | 16 | 10 | 20 | 25 | 7.4 |
| AZQB-M8*32 | 13 | 15 | 16 | 15 | 30 | 32 | 7.4 |
| AZQB-M8*35 | 13 | 18 | 16 | 18 | 35 | 35 | 7.4 |
| AZQB-M8*40 | 13 | 25 | 16 | 25 | 40 | 40 | 7.4 |
当社の製品は、主に米国などの30か国以上に輸出されています。 ドイツ、 日本、 スペイン、イタリア、英国など。当社のクライアントには、建設を専門とする多くのOEMの顧客が含まれています 、私たちはすでに世界のトップと協力しています 工事 企業 とチーム。私たちは 中国の主要なサプライヤーの1つとして。
通常、私たちはあなたに商品を出荷します 海のためです 私たちは 上海港の近く、そしてそれ 他の国に商品を出荷するのに非常に便利で効率的です。 もちろん、 あなたの商品が非常にある場合 緊急、 南京 空港と上海の空港も非常に近くにあります。
見積もりを提供する場合は、トランザクションメソッド、FOB、CIF、PDFなどを確認します。
大量生産商品の場合、生産前に30%のデポジットを支払い、文書のコピーに基づいて残りの70%を支払う必要があります。一般的な方法はt/tを通してです。 L/Cも許容可能です。